制造业知识分享、信息发布平台-兴盛制造网 Email: 206027815@qq.com

基于互联网的智能光伏发电运维平台的应用

分类: 机械制造 浏览量: 留言数: 7897

 

光伏能源作为取之不尽用之不竭的天然清洁能源,将在未来的新能源开发中成为优选的新能源,太阳能资源将以其无尽开采、无污染等特性成为未来其他非可再生、污染性能源的替代品,在未来将得到全球各国的重视。

而且随着互联网技术的快速发展,大数据时代的到来,在未来发展“互联网+”智能光伏电站将成为光伏发电实现创新性发展的大突破口,关乎未来光伏产业的延续与发展。在日渐信息化、数字化的时代,能否将互联网技术充分利用到光伏能源的开发与建设中,实现互联网与光伏产业的结合,将成为未来光伏产业发展的新趋势、新方向。

1、工程案例

项目名称:浙能长兴地面光伏电站工程造价:5000万元,长兴电厂光伏安装工程分厂区和厂外两个区域,太阳能电池组件29460块,合计功率8.38兆瓦,参与项目设计管理、设备采购、安装施工等。

2、我国光伏电站发展现状

多年来,中国的电力能源市场主要以开采容易、价格低廉的燃气、煤炭等不可再*能源为主,利用这类能源开发电力比例可达发电总量的60%以上。而水能、风能、太阳能等清洁、可再生能源由于其开发技术要求高,所需投入的成本较高,而且对政府政策引导的依赖性很强,光伏产业基本不在市场的可调控范围内,缺乏市场活力,所以利用这类能源开发日常电力资源所占的比例还是十分小的,占全国总发电量的15%左右。想要大力开发太阳能为主的光伏发电,则需要各个国家在政策、技术、资金上给予大力的帮扶,促进新能源开发的持续性发展。

随着全球环境保护意识的提升,当前各国家和地区在光伏电站的开发与建设上的技术与水平得到了显著的提高,这对于光伏产业的发展是十分利好的消息,光伏发电在技术条件的支撑下,开发建设成本明显下降,全球光伏电站的建设数量正呈现逐渐上涨的趋势,光伏发电前景一片光明。据国际能源署调查数据显示,到2050年光伏发电占全球平均发电量将上升至16%,光伏发电将成为国际上较为可靠的电力供应渠道之一。

3、“互联网+”智能光伏电站优势

2018年我国工业和信息化部、住房和城乡建设部、交通运输部、农业农村部、国家能源局、国务:扶贫办六个部委共同出台叶智能光伏产业发展行动计划渊2018~2020年冤曳。该计划提出,到2020年中国智能光伏的建设将取得显著成果,互联网加光伏电站将实现行业自动化、信息化、智能化,光伏电站智能制造技术与装备将实现大突破,智能光伏产业发展环境将实现不断优化与完善。

“互联网+”智能光伏电站的建设,是在互联网与信息化加太阳能光伏发电技术的跨界融合,利用互联网与信息化技术的优点,实现光伏电站从建设到维护都紧随大数据时代的创新步伐,最终实现光伏发电发展结构的优化升级,节约光伏电站从前期建设到后期维护的经济成本与人员投入成本,实现效益较大化,并且能够较大限度克服因各种地质环境对光伏电站所产生的障碍,发展互联网智能光伏电站具有以下几点优势:

3.1大数据运维,实现设备升级优化

对于光伏电站不光要考虑到如何建设,更要考虑到建设后的运营与维护问题,建立较优质的运营体系是互联网智能光伏的较大优势,互联网技术能够利用大数据手段主动进行分析与比对,对所光伏设备的运营状态设置到较优化的状态,将低效并且存在隐患的设备区分出来,及时进行隐患隔离,实现光伏电站高效运营。

另外,互联网智能光伏电站还能够将一段时间内的设备数据进行集中采集,对设备在这段时间内的运行效率与故障报修进行对比分析,为接下来时间里设备的设计与运营提供参考。

3.2数据监控,减少人力投入

我国的光伏电站多是建设在人烟稀少的沙漠地带,且电站的规模较大,这为日常的设备看守、巡查、检修都带来了不少的压力。尤其是这些偏远的沙漠地带,想要长期留住运营人员也是有很大难度,就算是有技术人员能够长时间驻守,但是由于荒漠环境恶劣,工作人员的日常工作难度和压力也是可想而知的。

而互联网智能光伏电站就能很大程度的解决这一难题,智能光伏电站无需技术人员的每日巡视和维护,只需要在室内对设备的运营状态进行网络上实施监控与故障检测,大大的节省了人力物力的投入,大大降低了运营的成本与难度。

3.3智能诊断故障,提高运维效率

在普通光伏电站的日常运维中,有时会出现很多工作人员都无法查找到障碍出处和电量大量丢失的状况,在这种状况下,光伏电站的运营就可以利用互联网无线传输与GPS等技术实现准确的定位与判断,对整体设备进行扫描与分析,帮助工作人员及时制定故障解决措施,准确找到电量丢失的原因,尽快排除障碍运营状态,减少光伏电站的利润损耗,一次性解决问题。

4、安科瑞分布式光伏运维云平台介绍

4.1概述

AcrelCloud-1200分布式光伏运维云平台通过监测光伏站点的逆变器设备,气象设备以及摄像头设备、帮助用户管理分散在各地的光伏站点。主要功能包括:站点监测,逆变器监测,发电统计,逆变器一次图,操作日志,告警信息,环境监测,设备档案,运维管理,角色管理。用户可通过WEB端以及APP端访问平台,及时掌握光伏发电效率和发电收益。

4.2应用场所

目前我国的两种分布式应用场景分别是:广大农村屋顶的户用光伏和工商业企业屋顶光伏,这两类分布式光伏电站今年都发展迅速。

4.3系统结构

在光伏变电站安装逆变器、以及多功能电力计量仪表,通过网关将采集的数据上传至服务器,并将数据进行集中存储管理。用户可以通过PC访问平台,及时获取分布式光伏电站的运行情况以及各逆变器运行状况。平台整体结构如图所示。

 IMG_256

4.4系统功能

AcrelCloud-1200分布式光伏运维云平台软件采用B/S架构,任何具备权限的用户都可以通过WEB浏览器根据权限范围监视分布在区域内各建筑的光伏电站的运行状态(如电站地理分布、电站信息、逆变器状态、发电功率曲线、是否并网、当前发电量、总发电量等信息)。

4.4.1光伏发电

4.4.1.1综合看板

●显示所有光伏电站的数量,装机容量,实时发电功率。

●累计日、月、年发电量及发电收益。

●累计社会效益。

●柱状图展示月发电量

 IMG_257

4.4.1.2电站状态

●电站状态展示当前光伏电站发电功率,补贴电价,峰值功率等基本参数。

●统计当前光伏电站的日、月、年发电量及发电收益。

●摄像头实时监测现场环境,并且接入辐照度、温湿度、风速等环境参数。

●显示当前光伏电站逆变器接入数量及基本参数。

 IMG_258

4.4.1.3逆变器状态

●逆变器基本参数显示。

●日、月、年发电量及发电收益显示。

●通过曲线图显示逆变器功率、环境辐照度曲线。

●直流侧电压电流查询。

●交流电压、电流、有功功率、频率、功率因数查询。

 IMG_259

4.4.1.4电站发电统计

●展示所选电站的时、日、月、年发电量统计报表。

 IMG_260

4.4.1.5逆变器发电统计

●展示所选逆变器的时、日、月、年发电量统计报表

 IMG_261

4.4.1.6配电图

●实时展示逆变器交、直流侧的数据。

●展示当前逆变器接入组件数量。

●展示当前辐照度、温湿度、风速等环境参数。

●展示逆变器型号及厂商。

 IMG_262

4.4.1.7逆变器曲线分析

●展示交、直流侧电压、功率、辐照度、温度曲线。

 IMG_263

4.4.2事件记录

●操作日志:用户登录情况查询。

●短信日志:查询短信推送时间、内容、发送结果、回复等。

●平台运行日志:查看仪表、网关离线状况。

●报警信息:将报警分进行分级处理,记录报警内容,发生时间以及确认状态。

 IMG_264

4.4.3运行环境

●视频监控:通过安装在现场的视频摄像头,可以实时监视光伏站运行情况。对于有硬件条件的摄像头,还支持录像回放以及云台控制功能。

 IMG_265

4.5系统硬件配置

4.5.1交流220V并网

交流220V并网的光伏发电系统多用于居民屋顶光伏发电,装机功率在8kW左右。

IMG_266 

部分小型光伏电站为自发自用,余电不上网模式,这种类型的光伏电站需要安装防逆流保护装置,避免往电网输送电能。光伏电站规模较小,而且比较分散,对于光伏电站的管理者来说,通过云平台来管理此类光伏电站非常有必要,安科瑞在这类光伏电站提供的解决方案包括以下方面:

IMG_267 

4.5.2交流380V并网

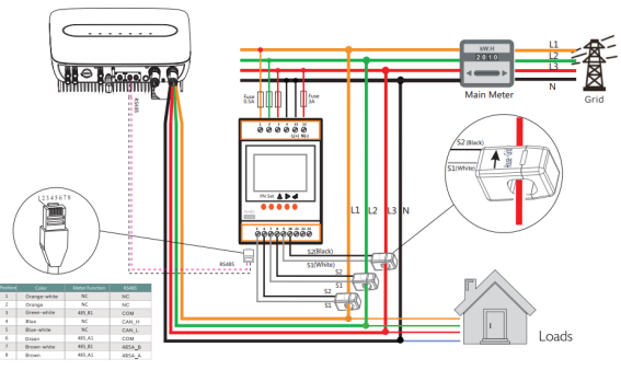
根据国家电网Q/GDW1480-2015《分布式电源接入电网技术规定》,8kW~400kW380V并网,超出400kW的光伏电站视情况也可以采用多点380V并网,以当地电力部门的审批意见为准。这类分布式光伏多为工商业企业屋顶光伏,自发自用,余电上网。分布式光伏接入配电网前,应明确计量点,计量点设置除应考虑产权分界点外,还应考虑分布式电源出口与用户自用电线路处。每个计量点均应装设双向电能计量装置,其设备配置和技术要求符合DL/T448的相关规定,以及相关标准、规程要求。电能表采用智能电能表,技术性能应满足国家电网公司关于智能电能表的相关标准。用于结算和考核的分布式电源计量装置,应安装采集设备,接入用电信息采集系统,实现用电信息的远程自动采集。

 IMG_268

光伏阵列接入组串式光伏逆变器,或者通过汇流箱接入逆变器,然后接入企业380V电网,实现自发自用,余电上网。在380V并网点前需要安装计量电表用于计量光伏发电量,同时在企业电网和公共电网连接处也需要安装双向计量电表,用于计量企业上网电量,数据均应上传供电部门用电信息采集系统,用于光伏发电补贴和上网电量结算。

部分光伏电站并网点需要监测并网点电能质量,包括电源频率、电源电压的大小、电压不平衡、电压骤升/骤降/中断、快速电压变化、谐波/间谐波THD、闪变等,需要安装单独的电能质量监测装置。部分光伏电站为自发自用,余电不上网模式,这种类型的光伏电站需要安装防逆流保护装置,避免往电网输送电能,系统图如下。

 IMG_269

这种并网模式单体光伏电站规模适中,可通过云平台采用光伏发电数据和储能系统运行数据,安科瑞在这类光伏电站提供的解决方案包括以下方面:

IMG_270IMG_271 

4.5.310kV35kV并网

根据《国家能源局关于2019年风电、光伏发电项目建设有关事项通知》(国发新能〔201949号),对于需要国家补贴的新建工商业分布式光伏发电项目,需要满足单点并网装机容量小于6兆瓦且为非户用的要求,支持在符合电网运行安全技术要求的前提下,通过内部多点接入配电系统。

此类分布式光伏装机容量一般比较大,需要通过升压变压器升压后接入电网。由于装机容量较大,可能对公共电网造成比较大的干扰,因此供电部门对于此规模的分布式光伏电站稳控系统、电能质量以及和调度的通信要求都比较高。

光伏电站并网点需要监测并网点电能质量,包括电源频率、电源电压的大小、电压不平衡、电压骤升/骤降/中断、快速电压变化、谐波/间谐波THD、闪变等,需要安装单独的电能质量监测装置。

 IMG_272

上图为一个1MW分布式光伏电站的示意图,光伏阵列接入光伏汇流箱,经过直流柜汇流后接入集中式逆变器(直流柜根据情况可不设置),最后经过升压变压器升压至10kV35kV后并入中压电网。由于光伏电站装机容量比较大,涉及到的保护和测控设备比较多,主要如下表:

IMG_273IMG_274IMG_275IMG_276 

5、结语

智能光伏电站作为互联网技术所涉及的新兴领域,由于还有很大技术与经验的欠缺,所以互联网智能光伏电站在建设与维护上还存在很大的不稳定性,目前在我国还没有成熟的经验和技术参考,存在很大的挑战性。我们要从国家政策引导、经济扶助、互联网技术的研究等多角度出发,攻克互联网智能光伏电站从前期建设到后期运维的多种难题,最终实现互联网智能光伏建设的跳跃式发展与进步。

 

【参考文献】

[1]韩建云.浅谈能源互联网之智能光伏电站建设于运维[J].电力讯息,201811月.

[2]黄志.能源互联网之智能光伏电站建设于运维探讨[J].大科技,2017(21):125.

[3]安科瑞企业微电网设计与应用手册.2022.05版.

本文地址: https://www.xsyiq.com/7897.html
网站内容如侵犯了您的权益,请联系我们删除。

标签: 上一篇: 下一篇: